健康与医疗
暖芯迦九感 BAF003 芯片以其出色的性能,为体温贴的精准测量提供了有力保障
发布时间:2024-07-05
体温贴作为一种快速、无接触式的体温测量工具,可连续、实时监测体温,对于关注个人健康或需要长期监测体温的人群(如老年人、孕妇、慢性病患者等)来说,体温贴能够提供方便、快捷的体温记录方式。

市面上体温贴在健康监测领域具有一定的便利性,但同时也存在一些缺点和不足:
精度与稳定性问题,虽然体温贴采用了温度传感器来测量体温,但由于制造工艺、材料选择以及使用环境等因素,其精度和稳定性可能存在一定的差异。
体温贴在使用过程中可能受到多种干扰因素的影响,如环境温度、湿度、运动状态等,这些因素可能导致测量结果的误差。
体温贴需要电池供电,而电池续航能力有限,需要定期更换电池或充电。
随着技术的不断进步和市场的不断发展,暖芯迦九感 BAF003 作为一款专为采集生理信号设计的超低功耗芯片,可以连续检测多种健康体征参数,包括心电(ECG)、肌电(EMG)、脉搏(PPG)、体温、生物阻抗(BioZ)、生物标记物等,堪称六合一模拟前端,为体温贴提供了强大的技术支持,使得体温贴在精度和效率上得到了显著提升。

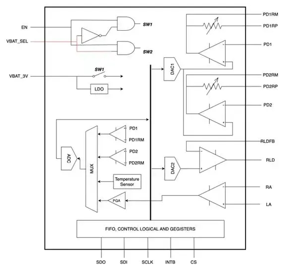
暖芯迦 BAF003 模拟前端芯片以其出色的性能,为体温贴的精准测量提供了有力保障。该芯片不仅支持 3V 供电应用,而且在禁用模式下漏电小于 15nA ,这大大降低了设备的功耗,使得体温贴在长时间使用过程中仍能保持稳定的性能。此外,BAF003 的传感器采集电路噪声小于 6uV,转换精度有效位数达到 16bit ,这为体温贴提供了高精度的数据采集能力,使得检测结果更加准确可靠。

市面上常见的体温贴往往以小巧著称,而通过使用暖芯迦生理信号模拟前端芯片 BAF003 ,可以将这些复杂的功能模块集成到一个小巧的芯片中,从而大大简化了设备结构,提高了检测精度和稳定性。同时,暖芯迦 BAF003 芯片所使用的可编程增益放大器支持二级放大,每级的增益都可以独立编程控制,从而提供灵活的增益调节范围。

暖芯迦九感 BAF003 模拟前端优点及特征:
支持3V供电应用
芯片在禁用模式下漏电小于15nA
超低噪声、高信噪比、两级可编程放大器
采集电路噪声小于6μV
转换精度有效位数达到16bit
SPI通信接口
产品参数
供电电压:2.8V-3.6V
封装及尺寸:WLCSP (2.4mm × 2.48mm)
运放偏置电压DAC可调范围:0.3V-2V,10bit调节
片上TIA反馈电阻:200K-10M 16档
可编程增益放大器:第一级(1,2,3,4,8,16,32)、第二级 (1,2,3,4)
ADC系统时钟可达64K,OSR范围32 - 2048,集成FIFO用于缓存数据,FIFO大小为256x18bit
芯片禁用模式:15nA
待机电流:<4μA
连续采样功耗:<35μA
温度传感器:0.3°C精度
相关产品
联系我们
暖芯迦电子科技有限公司
客服电话: 400-8605922
生物芯片:林经理 180-9470-6680(微信同号)
视觉脑机: 王经理 180-9470-6679(微信同号)
深圳分公司 : 周经理 0755 -26410854
杭州公司地址: 杭州市余杭区联创街188号贝达梦工场C座6层
深圳公司地址: 深圳市光明区凤凰街道欧菲光总部研发中心B座703
暖芯迦脑机(公众号)
暖芯迦电子(公众号)
暖芯迦脑机(视频号)